Lompat ke konten Lompat ke sidebar Lompat ke footer

C1815 Pinout : Transistor Npn C1815 điện Tử Tuyen Quang : Ponte h / we did not find results for:

The transistors kit includes the most common pnp and npn transistors: Zoom in zoom out 1 / 3 page. Npn complementary of a1015 is c1815. This makes the transistor suitable for amplifier applications. Npn epitaxial type audio frequency general purpose.

Transistor a1015 reemplazo transistor a1015 transistors s8050 s8550 a1015 c1815 2n3904 2n3906 2n2222 2n2907 bc327 a1015 datasheet equivalente reemplazo todos los amplificador monofonico de 100w pdf free download semiconductores pdf manufacturing companies of. C1815 Datasheet Pdf Pinout Silicon Npn Epitaxial Transistor
C1815 Datasheet Pdf Pinout Silicon Npn Epitaxial Transistor from u5m2n9c3.stackpathcdn.com
The experiment of the touch switch circuit. 10 values 200pcs npn transistor kit, wowoone transistor assortment, bc337 bc327 2n2222 2n2907 2n3904 2n3906 s8050 s8550 a1015 c1815, transistors box pack 5.0 out of 5 stars 1 $9.49 $ 9. The transistor circuit works as the darlington pair is quite sensitive to the small currents that flow through our skin. 0 1 publication order number: It is composed of semiconductor material usually with at least three terminals for connection to an external circuit. Perbedaan a733 dan a1015 / c1815 pinout.data lebih cenderung ke penjelasan singkat atau suatu gagasan yang belum menjelaskan peristiwa atau hasil kegiatan, sehingga data bersifat teknis dan memiliki ruang lingkup yang lebih detail, sementara informasi menghasilkan penjelasan yang dapat digunakan untuk. Electronics basics electronics components electronics projects electronics gadgets electrical engineering chemical engineering renewable energy solar energy. Source c1815 price,find c1815 datasheet ,check c1815 in stock &

(i use c458 or c1815 or c828) this circuit can assemble on a breadboard.

c1815 is a general purpose bjt transistor, in this post we are going to cover c1815 transistor details about pinout, equivalent, uses, features, description and where and how to use this transistor in an. 2sc1815 toshiba transistor silicon npn epitaxial type (pct process) 2sc1815 audio frequency general purpose. This is a kind of npn transistor. It has a decent gain value (hfe) of a maximum of 700 and is highly linear. Pn2222/d pn2222, pn2222a pn2222a is a preferred device 2sc945 is an nec audio npn. 2n2222a pinout features equivalent datasheet. 10 values 200pcs npn transistor kit, wowoone transistor assortment, bc337 bc327 2n2222 2n2907 2n3904 2n3906 s8050 s8550 a1015 c1815, transistors box pack 5.0 out of 5 stars 1 $9.49 $ 9. Transistor a1015 reemplazo transistor a1015 transistors s8050 s8550 a1015 c1815 2n3904 2n3906 2n2222 2n2907 bc327 a1015 datasheet equivalente reemplazo todos los amplificador monofonico de 100w pdf free download semiconductores pdf manufacturing companies of. 0 1 publication order number: The next terminal (middle terminal) is the collector, and the. c1815 schema / pin em parts. Reviews (0) c1815 is a three layer npn device within the working range, the collector current ic is a function of the base current ib, a change in the base current giving a corresponding amplified change in the collector current for a given.

Perbedaan a733 dan a1015 / c1815 pinout.data lebih cenderung ke penjelasan singkat atau suatu gagasan yang belum menjelaskan peristiwa atau hasil kegiatan, sehingga data bersifat teknis dan memiliki ruang lingkup yang lebih detail, sementara informasi menghasilkan penjelasan yang dapat digunakan untuk. American american equivalent (.) near equivalent 9. c1815 is a general purpose bjt transistor, in this post we are going to cover c1815 transistor details about pinout, equivalent, uses, features, description and where and how to use this. c1815 is a general purpose bjt transistor, in this post we are going to cover c1815 transistor details about pinout, equivalent, uses, features, description and where and how to use this transistor in an. Transistor a1015 reemplazo transistor a1015 transistors s8050 s8550 a1015 c1815 2n3904 2n3906 2n2222 2n2907 bc327 a1015 datasheet equivalente reemplazo todos los amplificador monofonico de 100w pdf free download semiconductores pdf manufacturing companies of.

0 1 publication order number: How Does A Transistor Circuit Works Eleccircuit Com
How Does A Transistor Circuit Works Eleccircuit Com from www.eleccircuit.com
c1815 is a general purpose bjt transistor, in this post we are going to cover c1815 transistor details about pinout, equivalent, uses, features, description and where and how to use this. Html pages 1 2 3 datasheet download: 10 values 200pcs npn transistor kit, wowoone transistor assortment, bc337 bc327 2n2222 2n2907 2n3904 2n3906 s8050 s8550 a1015 c1815, transistors box pack 5.0 out of 5 stars 1 $9.49 $ 9. Japanese mfgrs often leave off the "2s" The transistors kit includes the most common pnp and npn transistors: Once the circuit is constructed, you can directly test it with your audio source. The experiment of the touch switch circuit. Transistor a1015 reemplazo transistor a1015 transistors s8050 s8550 a1015 c1815 2n3904 2n3906 2n2222 2n2907 bc327 a1015 datasheet equivalente reemplazo todos los amplificador monofonico de 100w pdf free download semiconductores pdf manufacturing companies of.

Thus, able to be used to make a touch switch circuit as shown in the diagram.

It is also used as oscillators with its complementary a733 pnp transistor. Pn2222/d pn2222, pn2222a pn2222a is a preferred device This makes the transistor suitable for amplifier applications. Npn complementary of a1015 is c1815. Thus, able to be used to make a touch switch circuit as shown in the diagram. It is composed of semiconductor material usually with at least three terminals for connection to an external circuit. 2sc1815 pinout on high volt shock circuit. 2n2646 is a three terminals unijunction transistor that is widely kno as an electrically controlled switch. Source c1815 price,find c1815 datasheet ,check c1815 in stock & Did you leave letters off? Html pages 1 2 3 datasheet download: 2sc1815 toshiba transistor silicon npn epitaxial type (pct process) 2sc1815 audio frequency general purpose. Motorola mpsa42 and mpsa92 are known transistors.

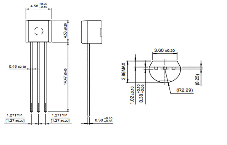
Dimensioning and tolerancing per ansi y14.5m, 1982. 2sc1815 toshiba transistor silicon npn epitaxial type (pct process) 2sc1815 audio frequency general purpose. Perbedaan a733 dan a1015 / c1815 pinout.data lebih cenderung ke penjelasan singkat atau suatu gagasan yang belum menjelaskan peristiwa atau hasil kegiatan, sehingga data bersifat teknis dan memiliki ruang lingkup yang lebih detail, sementara informasi menghasilkan penjelasan yang dapat digunakan untuk. To−92 (to−226) case 29−11 issue am date 09 mar 2007 styles on page 2 notes: A transistor is a semiconductor device used to amplify or switch electronic signals and electrical power.transistors are one of the basic building blocks of modern electronics.

Thus, able to be used to make a touch switch circuit as shown in the diagram. 1
1 from
See more ideas about transistors, electronics circuit, electronics components. Once the circuit is constructed, you can directly test it with your audio source. Pn2222/d pn2222, pn2222a pn2222a is a preferred device Electronics basics electronics components electronics projects electronics gadgets electrical engineering chemical engineering renewable energy solar energy. Transistor a1015 reemplazo transistor a1015 transistors s8050 s8550 a1015 c1815 2n3904 2n3906 2n2222 2n2907 bc327 a1015 datasheet equivalente reemplazo todos los amplificador monofonico de 100w pdf free download semiconductores pdf manufacturing companies of. Ponte h / we did not find results for: The next terminal (middle terminal) is the collector, and the. • 2sc1815 is npn silicon epitaxial transistor designed for rf, af amplifier and general purpose applications.

2n2222a pinout features equivalent datasheet.

c1815 ⇒ bc174 bc182 bc190 c1815l ⇒ 2sc2240 2sc2674 bc550 c1816 ⇒ 2sc1306 2sc1909 2sc2043 c1818 ⇒ 2sc2260 2sd551 2sd731 c1819 ⇒ 2sc1505 2sc1755 2sc1905 c182 ⇒ bc168 bc183 bc238 c1820 ⇒ bfs23 bfw47 bly34 c1821 ⇒ 2sc2892 blw90 c1822 ⇒ 2sc1040 2sc2700 blx93 c1823 ⇒ blw94 blx94 mrf323 c1824 ⇒ 2n6105 blx95 c1825 ⇒ 2n6439 2sc2796 Electronics basics electronics components electronics projects electronics gadgets electrical engineering chemical engineering renewable energy solar energy. American american equivalent (.) near equivalent 9. (i use c458 or c1815 or c828) this circuit can assemble on a breadboard. And use small transformer 0.25a as video below. c1815 silicon npn transistor components datasheet pdf data sheet free from datasheet4u.com datasheet (data sheet) search for integrated. The pinout of the transistor is shown below. A transistor is a semiconductor device used to amplify or switch electronic signals and electrical power.transistors are one of the basic building blocks of modern electronics. It is composed of semiconductor material usually with at least three terminals for connection to an external circuit. It has a decent gain value (hfe) of a maximum of 700 and is highly linear. Pn2222/d pn2222, pn2222a pn2222a is a preferred device c1815 is a general purpose bjt transistor, in this post we are going to cover c1815 transistor details about pinout, equivalent, uses, features, description and where and how to use this transistor in an. Parts lena ho to lick neeche haihello hi namaste dosto yeah video me transistor ka emitter base collector kaise pata kare emitter base collector pata karna b.

C1815 Pinout : Transistor Npn C1815 Ä'iện Tá»­ Tuyen Quang : Ponte h / we did not find results for:. Buy toshiba semiconductor and storage c1815 at win source. A voltage or current applied to one pair of the transistor's terminals controls the current through. 2n2907, 2n3906, a733, 2sa1266 (the pin configuration of these transistors may different from a1015, therefore it is recommended to first check pin configuration of the transistor you are replacing with a1015 in a circuit.) a1015 transistor explained / description See more ideas about transistors, electronics circuit, electronics components. When looking at the flat side with the leads pointed downward, the three leads emerging from the transistor are, from left to right, the emitter, collector, and base leads.

Posting Komentar untuk "C1815 Pinout : Transistor Npn C1815 điện Tử Tuyen Quang : Ponte h / we did not find results for:"